ESERCITAZIONI di T.T.R.G. 1) Realizzare il disegno di seguito

Transcript

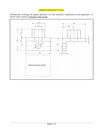
ESERCITAZIONI di T.T.R.G. 1) Realizzare il disegno di seguito
ESERCITAZIONI di T.T.R.G.
1) Realizzare il disegno di seguito riportato e la vista mancante, scegliendo la scala opportuna. Le
misure sono in [mm]; il disegno è fuori scala.
VISTA MANCANTE
Pagina 1/5
2) Realizzare il disegno di seguito riportato e la vista mancante, scegliendo la scala opportuna. Le
misure sono in [mm]; il disegno è fuori scala.
VISTA MANCANTE
Pagina 2/5
3) Realizzare il disegno di seguito riportato e la vista mancante, scegliendo la scala opportuna. Le
misure sono in [mm]; il disegno è fuori scala.
VISTA
MANCANTE
Pagina 3/5
4) Realizzare il disegno di seguito riportato e la vista mancante, scegliendo la scala opportuna. Le
misure sono in [mm]; il disegno è fuori scala.
VISTA
MANCANTE
Pagina 4/5
5) Realizzare il disegno di seguito riportato e la vista mancante, scegliendo la scala opportuna. Le
misure sono in [mm]; il disegno è fuori scala.
VISTA MANCANTE
Pagina 5/5