POWER 541

Transcript

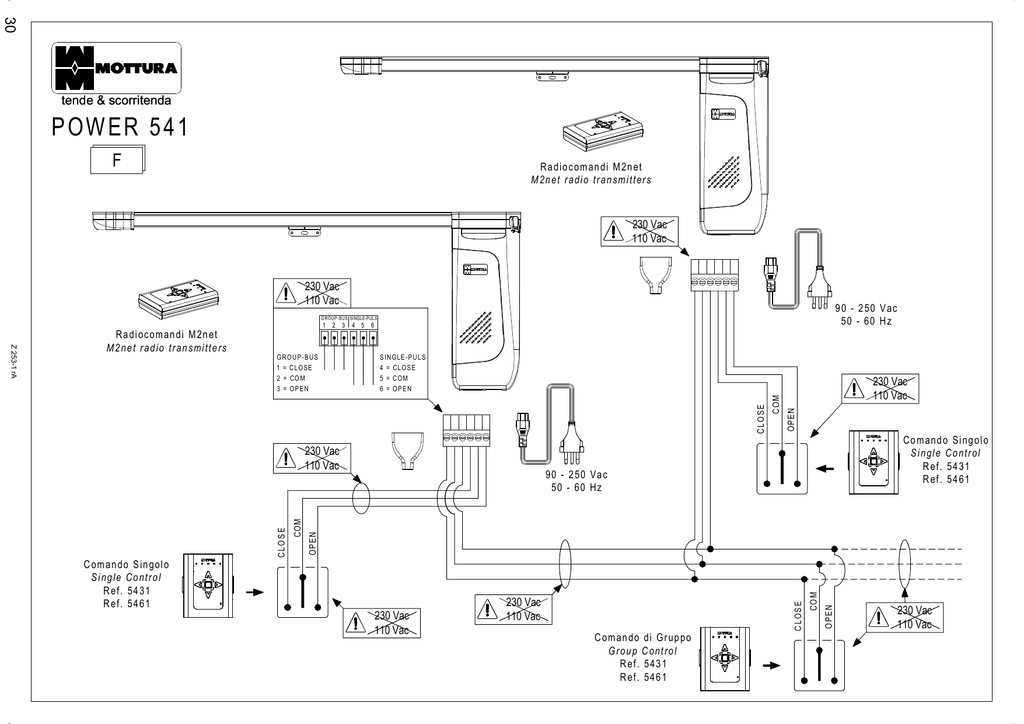
POWER 541
30
tende & scorritenda
P O W E R 54 1
F
Ra dio c om an di M 2n et
M 2n et r adi o t r an sm i t t er s
230 Vac
110 Vac
230 Vac
110 Vac
9 0 - 2 50 V ac
50 - 60 H z
GROUP-BUS SINGLE-PULS
1 2 3
4 5
6
OP E N
230 Vac
110 Vac
Co m and o Si ng ol o
S i ngl e Co nt r ol
R ef . 54 31
R ef . 54 61
90 - 2 50 Va c
50 - 60 Hz
230 Vac
110 Vac
C om an do di G r up po
G r ou p C ont ro l
R ef . 543 1
R ef . 546 1
OPEN
230 Vac
110 Vac
C LOSE
C om an do S in gol o
S i ng le Co nt r o l
R ef . 54 31
R ef . 54 61
COM
OP E N
C OM
230 Vac
110 Vac
COM
S I N G LE -P U L S
4 = CL O S E
5 = COM
6 = OPEN
CLO SE
G R O U P -B U S
1 = C L O SE
2 = CO M
3 = OPEN
CLOSE
Z 253-1 rA
Ra di oc om an di M 2n et
M 2 ne t r ad io t r an s mi t t e rs
230 Vac
110 Vac