Z:\CAD\Dimensioni\DIMENS\TRVB 50-300_C-M

Transcript

Z:\CAD\Dimensioni\DIMENS\TRVB 50-300_C-M
(1)
(1)
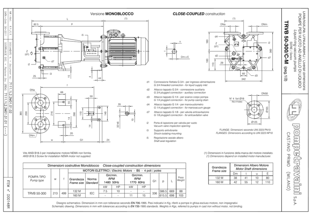
82.5
DNa
i5
360
t
Z
(d1)
i2
Z
(d1)
d2
d7
i2
44
d1
Connessione filettata G 3/4 - per ingresso alimentazione
G 3/4 threaded connection - for liquid supply inlet
68
d2
Attacco tappato G 3/4 - connessione ausiliaria
G 3/4 plugged connection - auxiliary connection
140
14
32 k6
10
14
110
35
260
216
200
55
50
d3
Attacco tappato G 1/4 - per scarico corpo pompa
G 1/4 plugged connection - for pump casing drain
d4
Attacco tappato G 1/4 - per manovuotometro
G 1/4 plugged connection - for manovacuum gauge
d7
Attacco tappato G 1/8 - per valvola anticavitazione
G 1/8 plugged connection - for anticavitation valve
i2
Porta di ispezione per valvola per vuoto
Vacuum valve inspection opening
i3
Supporto antivibrante
Shock-isolating mounting
i5
Regolazione assiale albero
Shaft axial regulation
20
DNm
G1
w
24
Vite ANSI B18.3 per installazione motore NEMA non fornita.
ANSI B18.3 Screw for installation NEMA motor not supplied.
Dimensioni costruttive Monoblocco
213
f
499
Grandezza Norma
Frame size Standard
132 M
160 M
IEC
DN50
N° 4 fori Ø18
No.4 holes
Ø125
FLANGE: Dimensioni secondo UNI 2223 PN10
FLANGES: Dimensions according to UNI 2223 NP10
(1) Dimensioni in funzione della marca del motore installato.
(1) Dimensions depend on installed motor manufacturer.
Close-coupled construction dimensions
Grandezza
Frame size
MOTORI ELETTRICI / Electric Motors - B5 - 4 poli / poles
w
d3
342
Ø165
4
15
DNa
TRVB 50-300
29
60
i3
f
POMPA TIPO
Pump type
d7
(pag.1/2)
25
110
180
Dm x E
Giri/min.
RPM
1480 50Hz
Giri/min.
RPM
1770 60Hz
kW
7.5
-
kW
11
HP
10
-
HP
15
G1
336
p
L
586.5 669
615.5 698
Peso
Weight
132 M
160 M
Dimensioni Albero Motore
Motor Shaft dimensions
Dm
38
42
88
103
Disegno schematico. Dimensioni in mm con tolleranze secondo EN 735-1995. Pesi indicativi in Kg, riferiti a pompe in ghisa escluso motore, non impegnativi.
Schematic drawing. Dimensions in mm with tolerances according to EN 735-1995 standards. Weights in Kgs, referred to pumps in cast iron without motor, not binding.
t
41
55
u
10
12
SERIE / Series
180
d4
u
365
DNm
TRVB 50-300/C-M
p
E
80
110
DIMENSIONE D'INGOMBRO / Overall dimensions
POMPE PER VUOTO AD ANELLO DI LIQUIDO
Liquid ring vacuum pumps
CLOSE-COUPLED construction
Versione MONOBLOCCO
L
(1)
p
82.5
DNa
i5
360
t
Z
(d1)
i2
Z
(d1)
d2
d7
d1
Connessione filettata G 3/4 - per ingresso alimentazione
G 3/4 threaded connection - for liquid supply inlet
d2
Attacco tappato G 3/4 - connessione ausiliaria
G 3/4 plugged connection - auxiliary connection
140
14
32 k6
10
14
110
35
260
216
200
55
50
d3
Attacco tappato G 1/4 - per scarico corpo pompa
G 1/4 plugged connection - for pump casing drain
d4
Attacco tappato G 1/4 - per manovuotometro
G 1/4 plugged connection - for manovacuum gauge
d7
Attacco tappato G 1/8 - per valvola anticavitazione
G 1/8 plugged connection - for anticavitation valve
i2
Porta di ispezione per valvola per vuoto
Vacuum valve inspection opening
i3
Supporto antivibrante
Shock-isolating mounting
i5
Regolazione assiale albero
Shaft axial regulation
20
DNm
G1
w
24
Vite ANSI B18.3 per installazione motore NEMA non fornita.
ANSI B18.3 Screw for installation NEMA motor not supplied.
Dimensioni costruttive Monoblocco
222
f
506
Grandezza Norma
Frame size Standard
132 M
160 M
IEC
DN50
N° 4 fori Ø18
No.4 holes
Ø125
FLANGE: Dimensioni secondo UNI 2223 PN10
FLANGES: Dimensions according to UNI 2223 NP10
(1) Dimensioni in funzione della marca del motore installato.
(1) Dimensions depend on installed motor manufacturer.
Close-coupled construction dimensions
Grandezza
Frame size
MOTORI ELETTRICI / Electric Motors - B5 - 4 poli / poles
w
d3
342
Ø165
15
68
(pag.2/2)
DNa
TRVB 50-300/A3
29
44
f
POMPA TIPO
Pump type
d7
60
i3
25
4
i2
110
180
Dm x E
Giri/min.
RPM
1480 50Hz
Giri/min.
RPM
1770 60Hz
kW
7.5
-
kW
11
HP
10
-
HP
15
G1
336
p
L
596 678.5
625 707.5
Peso
Weight
132 M
160 M
Dimensioni Albero Motore
Motor Shaft dimensions
Dm
38
42
t
41
55
90
115
Disegno schematico. Dimensioni in mm con tolleranze secondo EN 735-1995. Pesi indicativi in Kg, riferiti a pompe in acciaio inox escluso motore, non impegnativi.
Schematic drawing. Dimensions in mm with tolerances according to EN 735-1995 standards. Weights in Kgs, referred to pumps in stainless steel without motor, not binding.
u
10
12
SERIE / Series
180
d4
u
365
DNm
TRVB 50-300/C-M/A3
(1)
E
80
110
DIMENSIONE D'INGOMBRO / Overall dimensions
POMPE PER VUOTO AD ANELLO DI LIQUIDO
Liquid ring vacuum pumps
CLOSE-COUPLED construction
Versione MONOBLOCCO
L