claas hydraulic caliper descrizione description nr

Transcript

claas hydraulic caliper descrizione description nr
PARTE DI SICUREZZA CON RINTRACCIABILITA'
DOCUMENTAZIONE OBBLIGATORIA!
SECURITY PART WITH TRACEABILITY
DOCUMENTATION MANDATORY!
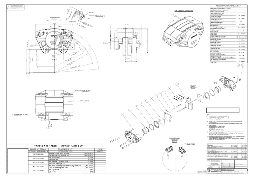
VISTA ISOMETRICA -­ ISOMETRIC VIEW
SCALA 1:1.5 -­ SCALE 1:1.5
M10x1 B
Coppia di serraggio 20 -­ 25 Nm
Tightening torque +
N
D
B
Senso di rotazione Dx
Spin sense Dx
C
10 0
-­ 0,5
Wo
rkin
g th
eard
min
min
8 fi
lett
ou
tile
1. MARCATURA CODICE DI RINTRACCIABILITA'
1. TRACEABILITY CODE MARKING
SEZIONE A-­A
m
Wo in 8
rkin File
g th tto
eard utile
min
10 0
-­ 0,5
0 C
184,4 ±1
=
=
113 ±0,5
I
A
Centro di rotazione del disco 83,5
Disc center
D
29,5 ±0,20
46,5 ±0,50
113,7
A
+0,037
16,516 0
A E
151,3 ±1
B
120 ±1
53 ±0,20
V
Centro di rotazione del disco 113,5
Disc center
0 an
M 6 fren
ia
sc
R18
te
Fa
F 23,8
VI
88,9 ±0,10
=
=
0
R16
no
fre disc
co
Dis Brake
90
R1
no
fre disc
co ke
Dis Bra
Passa
27
56 ±0,30
ggio
I
G 17,3
29 ±0,15
disco
13
12
,5
R192
R217 ±0,50
L
H
11
Vista esplosa
Scala 1:2
Brake -­ up view
Scale 1:2
10
Coppia di serraggio 82 -­ 90 Nm +
Tightening torque
9
8
7
6
Assiema di montaggio
Assembly 773911001
5
4
3
CLIENTE
CUSTOMER
2
+ Coppia di serraggio 15 -­ 18 Nm
CLAAS
NR DISEGNO
PART NUMBER
DESCRIZIONE
DESCRIPTION
0770.900.0
HYDRAULIC CALIPER
Note:
1
Tightening torque
I
Marcatura codice di rintracciabilita' e data.
Traceability code and date marking.
1
II) Protezione finale: Fe Zn 12 II.
Final protection: Fe Zn 12c II.
III) Durante la fase di smontaggio/assemblaggio fare attenzione alle guarnizioni
di accoppiamento.
During disassembling/assembling operations,pay attention to coupling seals.
11
1
CORAM 032
IV) Prova di tenuta:
-­Bassa pressione 3,5 bar per 10 sec.
-­Alta pressione 200 bar per 10 sec.
Tightness test:
-­Low pressure 3,5 bar for 10 sec.
-­High pressure 200 bar for 10 sec.
4
V
Prestare attenzione alla scanalatuta del piastrino protezione pastiglia,scanalatura sempre sul lato di entrata del disco.
Pay attention to the groove on the protective plate of the pad.The groove must always be on the input side of the disk brake.
Ingrassare i fori di montaggio con grasso"MOLYKOTE 321R",dopo l'asciugatura +
VI
verificare la quota Ø16.5H9 sui fori(su un campione).
Grease the mounting holes with"MOLYKOTE 321R",after drying,verify dimension Ø16.5H9 on the holes(on a sample). Posizione di montaggio
Mounting position
Non in scala
Not in scale
Kit Pinze RC773901000
Caliper kit 07753460
N Modificato posizione tappo,come richiesta del cliente.
7
B
14.DEC.2009
FRR AND PGL
Aggiornato nota 4. 6
B
08.OCT.2009
FRR AND PGL
Eliminato marcatura lato semicorpo con attacchi.
5
B
05.NOV.2008
FRR FCC PGL
4
A
21.APR.2008
BRB FCC PGL
3
G 11.APR.2007
FRR FCC PGL
Aggiunto codice kit ricambi.
Aggiornato per modifica kit ricambi e impostazione.
L
era 110,5, era 62.
M
Aggiornato per modifica grezzi pinza, era 111, era 81, H
I
Ø16.5H9, era 22,4, era 17,9.
G
F
cliente era 07694961, agg.quota, era filet.utile 10, era D
E
C
30°
VI
Aggiunto piastrino prot. pastiglia,aggiunto nota e ,codice V
40°
A Era Ø17,5 ±0,1, aggiunto caratteristiche foro alimentazione.
B
2
1
0
Indice modifica / Descrizione modifica -­ Modification index / Modif. description
Esp.
the manufactoring must conform to all
the specifications of this drawing.
No modifications are allowed without the
previous authorization of CORAM S.p.A.
Class
Scale
1:1
+
FRR RVG PGL
G 24.MAY.2006
FRR RVG PGL
G 26.APR.2006
Date
Document
Design.
Materiale -­ Material
ATTENZIONE: la realizzazione deve essere conforme a
tutte le prescrizioni di questo disegno.
Nessuna variazione è ammessa senza la
preventiva autorizzazione della CORAM S.p.A.
WARNING:
FRR RVG PGL
G 05.OCT.2006
CAD
Norme richiamate -­ Applicable Standards
Protezione
Protection
Colore
Colour
Grado di pulizia
Cleaning classif.
Class. caratteristiche
Character classification
Peso
Weight
Norma
Std.
Norma
Std.
Norma
Std.
Norma
Std.
Derivato dal Disegno -­ Originated by Drawing
CORAM 012
CORAM 002
Dis. cliente/Esp. -­ Customer dwg./Issue No.
(kg)
Descrizione -­ Description
16.5H9
QUOTA
Pinza freno idraulica Dx 2-­60 Claas
16.543
Disegno Nr. -­ Drawing
Formato CAD System
Group
773911000
16.500
SW
7
A0
Questo disegno è di proprietà della CORAM S.p.A. che tutela i propri diritti a rigore di legge. Senza autorizzazione l'oggetto rappresentato non può essere realizzato nè il disegno riprodotto.
VALORIThis drawing is the property of CORAM S.p.A. All proprietary rights are reserved. Any infringement will be legally pursued. Without autorization the represented part shall not be manufactured, or copyed.
Verif.
Appr.